Informații suplimentare
| Greutate | Nu se aplică |
|---|---|
| Volum | |
| Suprafaţă |
97,85 $ – 315,52 $
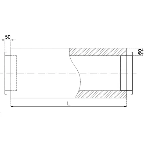
Se utilizeaza pentru reducerea nivelului de zgomot pe tronsonul de tubulatura provocat de viteza aerului si/sau de vibratiile ventilatorului. Carcasa este realizata din tabla zincata, iar la interior sunt montate panouri fonoabsorbante 60 in functie de cerinta de atenuare a nivelului de de zgomot si de caderea de presiune.
| Greutate | Nu se aplică |
|---|---|
| Volum | |
| Suprafaţă |