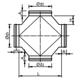
Piesa tip X cu racorduri tip SA

5,85 $230,19 $

Piesa de tip “X” este folosita in sistemele de climatizare si ventilatie pentru realizarea de bifurcatii in tronsoanele de tubulatura, atit flexibila cit si rigida, pentru evacuare sau introducere cit mai uniforma a aerului.
Materialul folosit: Otel galvanizat DX51, grad de zincare Z100

 

SKU: Nu se aplică Categorie:

Informații suplimentare

Greutate Nu se aplică
Volum
Suprafaţă

Descriere

Grosimea tablei zincate variaza in funcеie de diametru.